重庆市巴南区人民检察院2020年部门预算情况说明
一、单位基本情况
(一)职能职责。依照法律规定对有关刑事案件行使侦查权;对刑事案件进行审查,批准或者决定是否逮捕犯罪嫌疑人;对刑事案件进行审查,决定是否提起公诉,对决定提起公诉的案件支持公诉;依照法律规定提起公益诉讼;对诉讼活动实行法律监督;对判决、裁定等生效法律文书的执行工作实行法律监督;对监狱、看守所的执法活动实行法律监督;法律规定的其他职权。
(二)单位构成。重庆市巴南区人民检察院设8个内设机构,分别是检察一部、检察二部、检察三部、检察四部、检察五部、检察六部、政治部、办公室。
二、部门收支总体情况
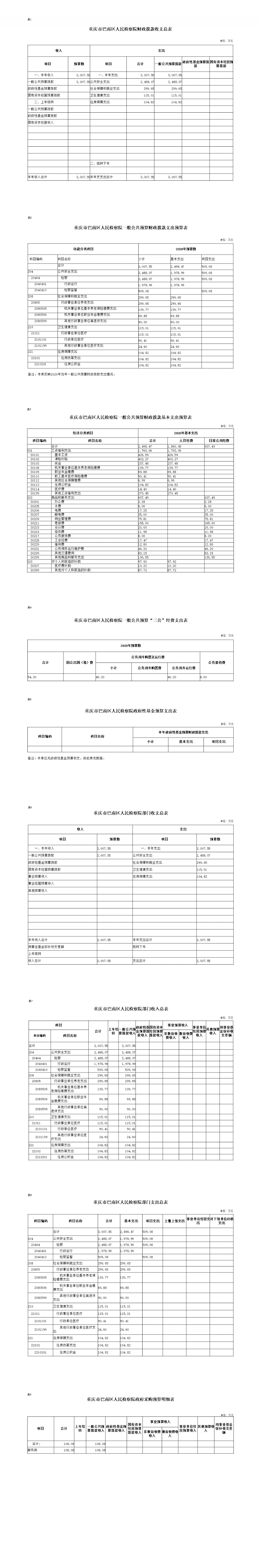
(一)收入预算:2020年年初预算数3007.55万元,其中:一般公共预算拨款3007.55万元,政府性基金预算拨款0万元,国有资本经营预算收入0万元,事业收入0万元,事业单位经营收入0万元,其他收入0万元。收入较去年减少311.35万元,主要是一般公共预算拨款减少311.35万元。
(二)支出预算:2020年年初预算数3007.55万元,其中:公共安全支出预算2488.07万元,社会保障和就业支出预算299.65万元,卫生健康支出预算115.01万元,住房保障支出预算104.82万元。支出预算较去年减少311.35万元,主要是基本支出预算减少350.96万元,项目支出预算增加39.61万元。
三、部门预算情况说明
2020年一般公共预算财政拨款收入3007.55万元,一般公共预算财政拨款支出3007.55万元,比2019年减少311.35万元。其中:基本支出2498.47万元,比2019年减少350.96万元,主要原因是监察体制改革转隶人员人头经费划转监察委,主要用于保障本单位在职人员工资福利、社会保险缴费和住房公积金,退休人员补助,保障本单位正常运转的办公费、印刷费、邮电费、公务用车运行费等各项商品服务支出;项目支出509.08万元,比2019年增加39.61万元,主要原因是提高了年初预算到位率,主要用于本单位履行职能职责所需办案经费、装备购置及聘用制书记员薪酬等相关费用。
本单位2020年未使用政府性基金预算拨款安排的收支,与上年一致。
四、“三公”经费情况说明
2020年“三公”经费预算54.20万元,比2019年减少2万元。其中:因公出国(境)费用0万元,与2019年持平;公务接待费8万元,比2019年减少2万元,主要原因是2020年公务接待活动计划减少;公务用车运行维护费46.2万元,比2019年持平;公务用车购置计划0万元,与2019年持平。
五、其他重要事项的情况说明
1、机关运行经费。2020年一般公共预算财政拨款运行经费637.49万元,比2019年预算减少91.46万元,主要原因是监察体制改革转隶人员公用经费划转监察委。主要用于单位日常运转所需的办公费、印刷费、邮电费、水电费、物业管理费、会议费、公务接待费、培训费、差旅费、公车补贴费用、公务用车费用和其他商品和服务支出。
2、政府采购情况。本单位政府采购预算总额108.08万元,政府采购货物预算0万元,政府采购工程预算0万元,政府采购服务预算108.08万;其中一般公共预算拨款政府采购108.08万元:政府采购货物预算0万元、政府采购工程预算0万元、政府采购服务预算108.08万元。
3、绩效目标设置情况。2020年项目支出均实行了绩效目标管理,涉及一般公共预算当年财政拨款509.08万元。
4、国有资产占有使用情况。截止2019年12月,本单位共有车辆12辆,其中一般公务用车0辆、执勤执法用车12辆。2020年一般公共预算安排购置车辆0辆,其中一般公务用车0辆、执勤执法用车0辆。
六、 专业性名词解释
(一)财政拨款收入:指本年度从本级财政部门取得的财政拨款,包括一般公共预算财政拨款和政府性基金预算财政拨款。
(二)其他收入:指单位取得的除“财政拨款收入”、“事业收入”、“经营收入”等以外的收入。
(三)基本支出:指为保障机构正常运转、完成日常工作任务而发生的人员经费和公用经费。
(四)项目支出:指在基本支出之外为完成特定行政任务和事业发展目标所发生的支出。
(五)“三公”经费:指用一般公共预算财政拨款安排的因公出国(境)费、公务用车购置及运行维护费、公务接待费。其中,因公出国(境)费反映单位公务出国(境)的国际旅费、国外城市间交通费、住宿费、伙食费、培训费、公杂费等支出;公务用车购置费反映单位公务用车购置支出(含车辆购置税);公务用车运行维护费反映单位按规定保留的公务用车燃料费、维修费、过路过桥费、保险费、安全奖励费用等支出;公务接待费反映单位按规定开支的各类公务接待(含外宾接待)支出。
![]()
部门预算公开联系人:冯翠梅 电话:023-66227213
附:重庆市巴南区人民检察院2020年预算相关表册(表1至表9)
